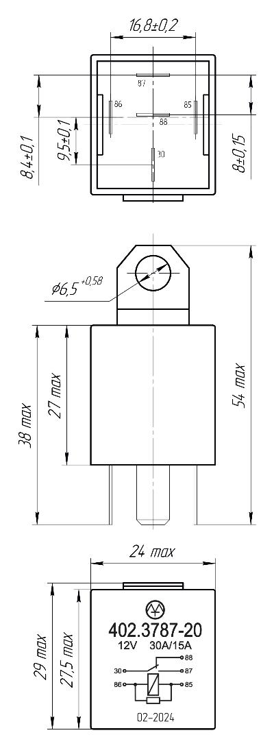
Рекомендации по монтажу
1. Установить реле в монтажный блок или закрепить на кузов автомобиля, используя кронштейн, входящий в комплект.
2. При монтаже на кузов, колодку с подводящими проводами надежно соединить с контактами реле.
1. Установить реле в монтажный блок или закрепить на кузов автомобиля, используя кронштейн, входящий в комплект.
2. При монтаже на кузов, колодку с подводящими проводами надежно соединить с контактами реле.

