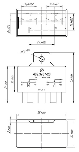
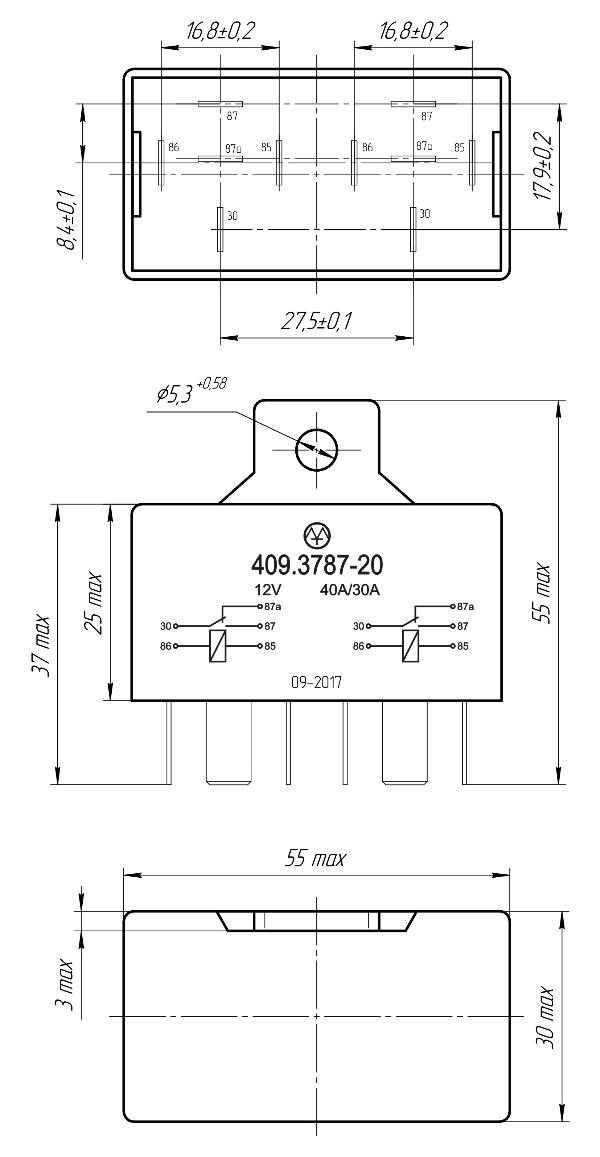
409.3787-20 12В 40/30А сдвоенное 5-ти контактное
Предназначено для коммутации электрических цепей постоянного тока.
Представляет собой два независимых электромагнитных реле, размещенных в одном корпусе.
Применяется на автомобилях любой марки с напряжением бортовой сети 12В.
Представляет собой два независимых электромагнитных реле, размещенных в одном корпусе.
Применяется на автомобилях любой марки с напряжением бортовой сети 12В.
Характеристики
| Номинальное напряжение, В | 12 |
| Ток нагрузки NO/NC, А | 40/30 |
| Тип реле | сдвоенное переключающее |
| Контакты серии 6,3, шт. | 5+5 |
| Габаритные размеры реле, мм | 55х55х30 |
| Масса, г | 60 |
