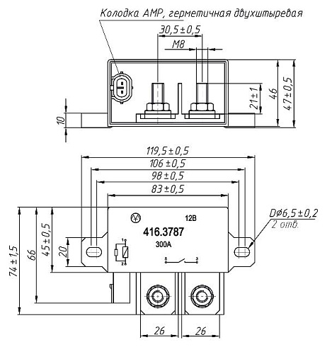
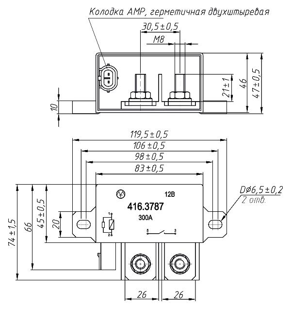
1. Установить реле в удобном для монтажа месте автомобиля, используя крепежные отверстия на реле.
2. Подключить изделие в соответствии со схемой на корпусе реле. Для подключения силовых контактов рекомендуется использовать провод сечением не менее 35мм2, контактов обмотки реле
- провод сечением не менее 0,5мм2.
